|
Оформите заявку на сайте, мы свяжемся с вами в ближайшее время и ответим на все интересующие вопросы.
|
Заказать услугу
|
Зачем нужен проект пневмолинии
Представим себе ситуацию. Вы знаете, сколько сжатого воздуха требуется вашей производственной линии и под каким давлением его нужно подать потребителю. Этой информации достаточно, чтобы выбрать компрессор и сопутствующее оборудование. Но, увы, этого недостаточно для того, чтобы оборудование заработало.
Нужно учесть еще большое количество нюансов: как расположить компрессорное оборудование, каким должен быть трубопровод (материал, диаметр трубы, длинна), как подвести к потребителю.
Эти и другие нюансы учитываются при расчёте и проектировании пневмолинии. В результате вы получаете готовое решение, которое гарантирует:
- компрессор будет работать правильно и прослужит долго;
- в пневмолинии не будет утечек;
- не будет потери производительности и падения давления на пути от компрессора к потребителю;
- конденсат не будет скапливаться в пневмолинии и попадать к потребителю;
- качество сжатого воздуха будет соответствовать вашим требованиям по содержанию влаги, масла и твердых частиц;
- вся конструкция будет соответствовать ГОСТ, СНиП и другим нормативам.
Что входит в пневмолинию и на что обращать внимание при проектировании и расчетах
Стандартная пневмолиния включает такие элементы:
| Элемент |
На что обратить внимание |
Например |
| Компрессор | Важно выбрать производительность с запасом, определить место для размещения, учесть требования к помещению. |
Компрессоры мощностью более 100 кВт обязательно устанавливаются в отдельном помещении. Компрессорные установки с уровнем шума выше 82 дБ не могут устанавливаться там, где работают люди. |
| Ресивер, осушители, фильтры и конденсатоотводчики | Подбираются в зависимости от требований к качеству сжатого воздуха, а также условий эксплуатации компрессора и особенностей пневмомагистрали | Если пневмолиния идет по улице, потребуется адсорбционный осушитель (имеет более низкую точку росы, чем у рефрижераторный осушитель). |
| Трубопровод |
Имеют значение материал трубы, длинна, расположение трубопровода, расчитывается диаметр пневмомагистрали. |
Диаметр трубы нужен не меньше внутреннего диаметра выходного штуцера компрессора. |
| Фитинги и запорная арматура | Количество и места расположения |
Запорные краны устанавливают не только непосредственно перед потребителем, но и на отдельных участках пневломагистрали: так у вас будет возможность осуществлять местный ремонт, не отключая от сети все потребители |
В проекте пневмолинии закладываются и особенности ее монтажа. Нужно учесть расположение потребителей, маршруты и уклон трубопровода. Например, чтобы избежать попадания конденсата к потребителю, отводы для потребителей от основной линии делают в форме «гусиной шеи»: чтобы воздух шел сначала вверх и только затем вниз к потребителю.
Во всем этом придется либо разобраться самостоятельно, либо заказать проект пневмосистемы «под ключ» и получить рабочую систему от экспертов.
Этапы проектирования пневмосети в «Компрессор Центр»
- подробно выясняем потребность в сжатом воздухе, особенности оборудования, которое будет подключено к пневмолинии, особенности предприятия;
- готовим техзадание;
- подбираем компрессор и оборудование для воздухоподготовки, определяемся с материалами и комплектующими;
- составляем предварительную смету;
- готовим проект пневмолинии с учетом всей информации;
- предлагаем технико-экономическое обоснование;
- согласовываем и передаем проект вам.
Монтаж пневмолинии по проекту также может выполнить наш сервисный центр.
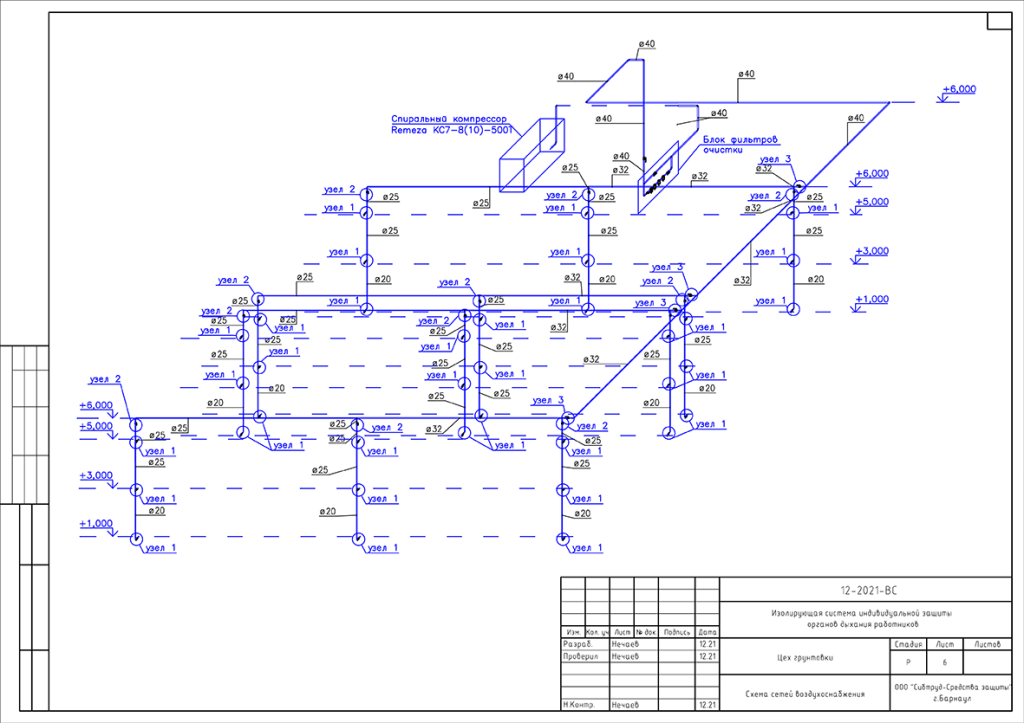
Посмотрите пример готового проекта пневмолинии от "Компрессор Центра"

